Быстрая доставка
30-дневная экспресс-доставка



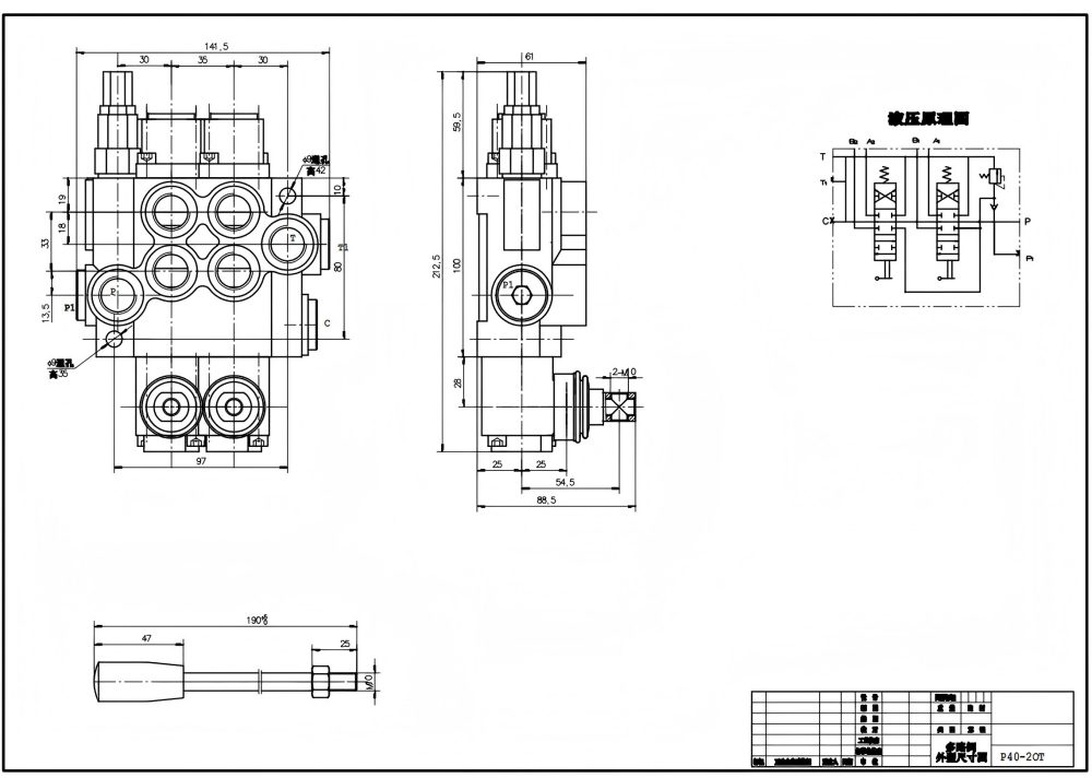
P40-XNHJ — это прочный, ручной, 2-секционный моноблочный гидравлический распределительный клапан с номинальным расходом 40 л/мин и максимальным давлением 250 бар. Идеально подходит для различных применений в сфере погрузочно-разгрузочных работ, строительства, сельского хозяйства и промышленных транспортных средств, этот клапан обеспечивает надежное управление и производительность в требовательных условиях.
| Серия P40-XNHJ Моноблочный направляющий клапан Parameters | |
|---|---|
| Метод управления | Ручное, Пневматический, Электропневматический, Электрогидравлический, Соленоидный, Гидравлический, Гидравлический и ручной, Канат, Джойстик, Ручной и джойстиковый |
| Катушка | 1 катушка, 2 катушки, 3 катушки, 4 катушки, 5 катушек, 6 катушек, 7 катушек |
| Номинальный расход | 40 л/мин (10,5 галлон США/мин) |
| Максимальное давление | 250 бар (3600 фунт на кв. дюйм) |
| Входной порт | G3/8, G1/2, M18×1.5, M22×1.5, SAE 8, SAE 10, 3/8 NPT, 1/2 NPT |
| Выходной порт | G3/8, G1/2, M18×1.5, M22×1.5, SAE 8, SAE 10, 3/8 NPT, 1/2 NPT |
| Размер порта | G3/8, G1/2, M18×1.5, SAE 8, SAE 10, 3/8 NPT, 1/2 NPT |
| Размер | 1 секция, 2 секции, 3 секции, 4 секции, 5 секций, 6 секций, 7 секций |
| Тип конструкции | Моноблочный клапан |
| Диапазон рабочих температур | 15 - 75 мм²/с (15 сСт - 75 сСт) |
Ручной 2-секционный моноблочный распределительный клапан P40-XNHJ — это высокопроизводительный гидравлический компонент, разработанный для требовательных применений. Его компактная моноблочная конструкция обеспечивает надежность и долговечность, а ручное управление — точную работу. С номинальным расходом 40 л/мин и максимальным давлением 250 бар он подходит для широкого спектра оборудования. Широкий диапазон рабочей вязкости и температуры клапана (от -40°C до +80°C) гарантирует стабильную производительность в различных условиях. Его две секции позволяют универсально управлять гидравлическими функциями. Этот клапан идеально подходит для использования в вилочных погрузчиках, телескопических погрузчиках, мини-погрузчиках с бортовым поворотом, тракторах, мини-экскаваторах, экскаваторах-погрузчиках, прессах, комбайнах и опрыскивателях, обеспечивая надежное и эффективное гидравлическое управление для различных операций. P40-XNHJ создан для работы в суровых условиях и обеспечивает долговечную производительность, что делает его экономически эффективным решением как для производителей оригинального оборудования (OEM), так и для конечных пользователей. Мы предлагаем производство, OEM, частную маркировку, индивидуализацию и оптовые варианты, а также активно ищем дистрибьюторов, оптовиков, агентов и трейдеров по всему миру.



