Быстрая доставка
30-дневная экспресс-доставка



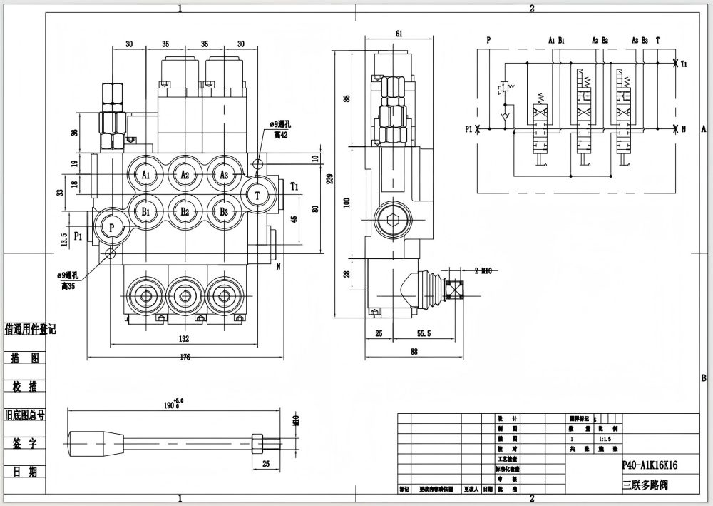
P40-G12-G38-OT-2QTW Ручной 3-золотниковый моноблочный распределительный клапан — это высокопроизводительный гидравлический клапан, разработанный для использования в различных промышленных применениях. Он отличается компактной и прочной моноблочной конструкцией, обеспечивающей долговечность и надежность. С номинальным расходом 40 л/мин и максимальным давлением 250 бар этот клапан эффективно справляется с требовательными гидравлическими системами.
| Серия P40 Моноблочный направляющий клапан Parameters | |
|---|---|
| Метод управления | Ручное, Пневматический, Электропневматический, Электрогидравлический, Соленоидный, Гидравлический, Гидравлический и ручной, Канат, Джойстик, Ручной и джойстиковый |
| Катушка | 1 катушка, 2 катушки, 3 катушки, 4 катушки, 5 катушек, 6 катушек, 7 катушек |
| Номинальный расход | 40 л/мин (10,5 галлон США/мин) |
| Максимальное давление | 250 бар (3600 фунт на кв. дюйм) |
| Входной порт | G3/8, G1/2, M18×1.5, M22×1.5, SAE 8, SAE 10, 3/8 NPT, 1/2 NPT |
| Выходной порт | G3/8, G1/2, M18×1.5, M22×1.5, SAE 8, SAE 10, 3/8 NPT, 1/2 NPT |
| Размер порта | G3/8, G1/2, M18×1.5, SAE 8, SAE 10, 3/8 NPT, 1/2 NPT |
| Размер | 1 секция, 2 секции, 3 секции, 4 секции, 5 секций, 6 секций, 7 секций |
| Тип конструкции | Моноблочный клапан |
| Диапазон рабочих температур | 15 - 75 мм²/с (15 сСт - 75 сСт) |
**Особенности и преимущества продукта:**
* Ручное управление для точной и отзывчивой работы
* 3-золотниковая конструкция обеспечивает универсальное управление потоком
* Моноблочная конструкция для повышенной прочности и долговечности
* Пропускная способность (40 л/мин) для эффективной работы системы
* Отличная способность выдерживать давление (250 бар) для сложных применений
* Широкий диапазон рабочей вязкости (15 - 75 мм²/с) для совместимости с различными гидравлическими жидкостями
* Подходит для использования в суровых условиях с диапазоном температуры окружающей среды от -40°C до +80°C
**Применение:**
P40-G12-G38-OT-2QTW Ручной 3-золотниковый моноблочный распределительный клапан широко используется в различных промышленных применениях, включая:
* Погрузочно-разгрузочное оборудование (вилочные погрузчики, краны, телескопические погрузчики)
* Строительная и землеройная техника (экскаваторы, погрузчики, грейдеры)
* Сельскохозяйственная техника (тракторы, комбайны, прессы-подборщики)
* Промышленные транспортные средства (подметальные машины, уплотнители отходов, крюковые погрузчики)



