Быстрая доставка
30-дневная экспресс-доставка



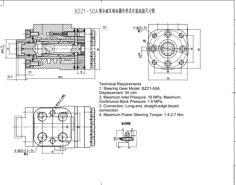
BZZ1-E50A — это надежное гидравлическое рулевое управление с рабочим объемом 50 мл/об, разработанное для различных применений в подъемно-транспортной технике, строительстве, сельском хозяйстве и промышленных транспортных средствах. Оно имеет максимальное входное давление 16 МПа и настраиваемый клапанный блок для индивидуальной производительности. Мы предлагаем производство, OEM, ODM и оптовые варианты.
| Серия BZZ1 Рулевой блок Parameters | |
|---|---|
| Рабочий объем | 50 мл/об, 63 мл/об, 100 мл/об, 80 мл/об, 125 мл/об, 160 мл/об, 200 мл/об, 250 мл/об, 280 мл/об, 315 мл/об, 400 мл/об, 500 мл/об, 630 мл/об, 800 мл/об, 1000 мл/об |
| Блок клапанов | Настраиваемый |
| Материал | Чугун |
| Номинальный расход | 5 л/мин, 6 л/мин, 4 л/мин, 7,5 л/мин, 9,5 л/мин, 12 л/мин, 15 л/мин, 19 л/мин, 21 л/мин, 24 л/мин, 30 л/мин, 38 л/мин, 48 л/мин, 60 л/мин, 75 л/мин |
| Максимальное противодавление | 2,5 МПа |
| Максимальное входное давление | 16 МПа |
Гидравлическое рулевое управление BZZ1-E50A предлагает надежное и эффективное решение для различной техники. Его чугунная конструкция обеспечивает долговечность и долгий срок службы даже в тяжелых условиях эксплуатации. Ключевые особенности включают:
* **Высокая производительность:** Рабочий объем 50 мл/об, номинальный расход 4 л/мин и максимальное входное давление 16 МПа обеспечивают мощное и отзывчивое рулевое управление.
* **Настраиваемый клапанный блок:** Позволяет адаптироваться к конкретным требованиям машины и оптимизировать производительность системы.
* **Прочная конструкция:** Чугунный материал обеспечивает надежную работу и устойчивость к износу.
* **Универсальное применение:** Подходит для широкого спектра машин, включая вилочные погрузчики, мини-погрузчики с бортовым поворотом, компактные колесные погрузчики, телескопические погрузчики, тракторы, мини-экскаваторы и экскаваторы-погрузчики.
* **Гибкость производства:** Мы предлагаем производство, OEM, ODM и оптовые варианты для удовлетворения разнообразных потребностей клиентов. Мы активно ищем дистрибьюторов, оптовиков, агентов и торговых партнеров по всему миру для расширения нашего рыночного охвата. Свяжитесь с нами сегодня, чтобы узнать больше о наших возможностях и обсудить ваши конкретные требования.



