Быстрая доставка
30-дневная экспресс-доставка



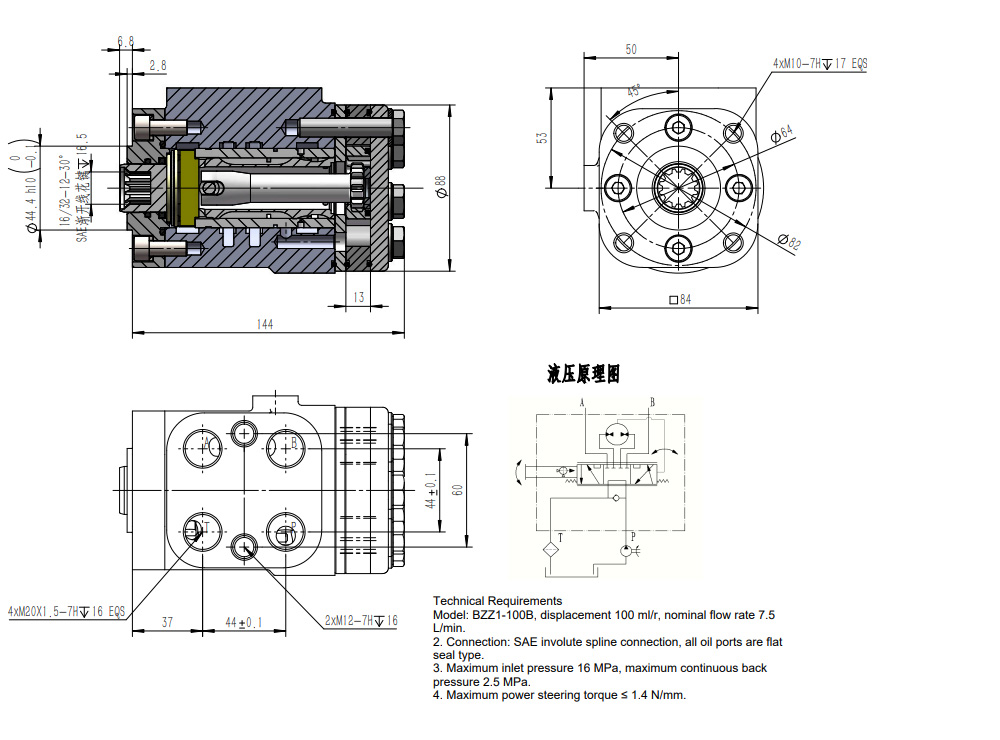
Рулевое устройство BZZ1-E100C представляет собой надежный и настраиваемый гидравлический компонент с рабочим объемом 100 мл/об, предназначенный для различных применений в погрузочно-разгрузочной технике, строительстве, сельском хозяйстве и промышленных транспортных средствах. Оно имеет максимальное входное давление 16 МПа и чугунную конструкцию для долговечности. Мы предлагаем производство, OEM, ODM и оптовые варианты по всему миру.
| Серия BZZ1 Рулевой блок Parameters | |
|---|---|
| Рабочий объем | 50 мл/об, 63 мл/об, 100 мл/об, 80 мл/об, 125 мл/об, 160 мл/об, 200 мл/об, 250 мл/об, 280 мл/об, 315 мл/об, 400 мл/об, 500 мл/об, 630 мл/об, 800 мл/об, 1000 мл/об |
| Блок клапанов | Настраиваемый |
| Материал | Чугун |
| Номинальный расход | 5 л/мин, 6 л/мин, 4 л/мин, 7,5 л/мин, 9,5 л/мин, 12 л/мин, 15 л/мин, 19 л/мин, 21 л/мин, 24 л/мин, 30 л/мин, 38 л/мин, 48 л/мин, 60 л/мин, 75 л/мин |
| Максимальное противодавление | 2,5 МПа |
| Максимальное входное давление | 16 МПа |
BZZ1-E100C — это высокопроизводительный гидравлический рулевой агрегат, идеально подходящий для широкого спектра применений. Его ключевые особенности включают:
* **Возможность работы под высоким давлением:** С максимальным входным давлением 16 МПа он справляется с требовательными условиями эксплуатации.
* **Прочная конструкция:** Чугунный материал обеспечивает долговечность и устойчивость к износу.
* **Настраиваемый блок клапанов:** Позволяет создавать индивидуальные конфигурации для удовлетворения конкретных требований применения, повышая гибкость и эффективность.
* **Высокий расход:** Номинальный расход 7.5 л/мин обеспечивает отзывчивое и плавное рулевое управление.
* **Универсальные применения:** Подходит для различных типов оборудования, включая вилочные погрузчики, телескопические погрузчики, мини-погрузчики с бортовым поворотом, компактные колесные погрузчики, мини-экскаваторы, тракторы, комбайны и пресс-подборщики.
* **Глобальный охват:** Мы предлагаем услуги по производству, OEM, ODM и оптовой торговле дистрибьюторам, дилерам и агентам по всему миру. Мы стремимся предоставлять высококачественную продукцию и исключительное обслуживание клиентов. Свяжитесь с нами, чтобы обсудить ваши конкретные потребности и изучить потенциальные партнерства.



