Быстрая доставка
30-дневная экспресс-доставка



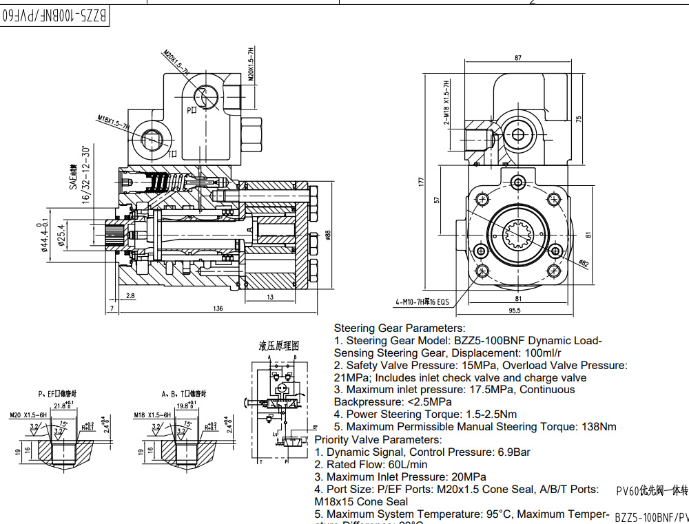
Гидравлический рулевой агрегат 101S-5T-80-PV60 представляет собой высокопроизводительное, долговечное и настраиваемое решение для различных применений в сфере обработки материалов, строительства, сельского хозяйства и промышленных транспортных средств. Обладая рабочим объемом 80 мл/об и максимальным входным давлением 17,5 МПа, он обеспечивает надежное рулевое управление для широкого спектра оборудования.
| 10 Series Рулевой блок Parameters | |
|---|---|
| Рабочий объем | 50 мл/об, 63 мл/об, 100 мл/об, 80 мл/об, 125 мл/об, 160 мл/об, 200 мл/об, 250 мл/об, 280 мл/об, 315 мл/об, 400 мл/об |
| Материал | Чугун |
| Номинальный расход | 5 л/мин, 6 л/мин, 8 л/мин, 10 л/мин, 12,5 л/мин, 16 л/мин, 20 л/мин, 25 л/мин, 28 л/мин, 31,5 л/мин, 40 л/мин |
| Блок клапанов | Настраиваемый |
| Максимальное противодавление | 2,5 МПа |
| Максимальное входное давление | 17,5 МПа |
Гидравлический рулевой агрегат 101S-5T-80-PV60 является прочным и эффективным компонентом, разработанным для требовательных условий эксплуатации. Изготовленный с корпусом из чугуна для превосходной прочности и долговечности, он имеет рабочий объем 80 мл/об и максимальное входное давление 17,5 МПа, обеспечивая мощное и отзывчивое рулевое управление. Максимальное непрерывное обратное давление 2,5 МПа дополнительно повышает его надежность и производительность. Его номинальный расход 8 л/мин способствует плавному и точному рулевому управлению. Блок клапанов настраивается, что позволяет адаптировать его к конкретным требованиям и применениям машин. Этот агрегат идеально подходит для различного оборудования, включая вилочные погрузчики, телескопические погрузчики, мини-погрузчики с бортовым поворотом, компактные колесные погрузчики, мини-экскаваторы, тракторы, экскаваторы-погрузчики, подметальные машины, комбайны и многое другое. Его высокая производительность и надежная работа делают его экономически эффективным и эффективным выбором для OEM, ODM и дистрибьюторов, ищущих высококачественное решение для гидравлического рулевого управления. Мы предлагаем услуги по производству, OEM, ODM, индивидуальной настройке и оптовой торговле, активно ищем дистрибьюторов, оптовиков, агентов и торговых партнеров по всему миру.



