Быстрая доставка
30-дневная экспресс-доставка



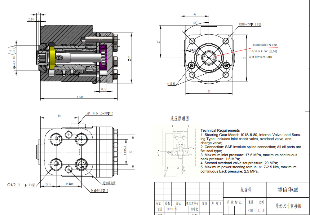
Рулевое устройство 101S-5-80 представляет собой надежное и настраиваемое гидравлическое рулевое устройство с рабочим объемом 80 куб.см/об, разработанное для различных применений в сфере обработки материалов, строительства, сельского хозяйства и промышленных транспортных средств. Оно имеет максимальное входное давление 17,5 МПа и изготовлено из прочного чугуна. Идеально подходит для OEM-производителей и дистрибьюторов, ищущих высокопроизводительное и надежное решение для рулевого управления.
| 10 Series Рулевой блок Parameters | |
|---|---|
| Рабочий объем | 50 мл/об, 63 мл/об, 100 мл/об, 80 мл/об, 125 мл/об, 160 мл/об, 200 мл/об, 250 мл/об, 280 мл/об, 315 мл/об, 400 мл/об |
| Материал | Чугун |
| Номинальный расход | 5 л/мин, 6 л/мин, 8 л/мин, 10 л/мин, 12,5 л/мин, 16 л/мин, 20 л/мин, 25 л/мин, 28 л/мин, 31,5 л/мин, 40 л/мин |
| Блок клапанов | Настраиваемый |
| Максимальное противодавление | 2,5 МПа |
| Максимальное входное давление | 17,5 МПа |
Рулевое устройство 101S-5-80 – это высокопроизводительное гидравлическое рулевое устройство, разработанное для требовательных применений. Его рабочий объем 80 куб.см/об обеспечивает достаточный поток для эффективного управления рулевым механизмом. Устройство изготовлено из прочного чугуна для долговечной работы и устойчивости к износу. Максимальное входное давление 17,5 МПа обеспечивает надежную работу даже при больших нагрузках. Настраиваемый блок клапанов позволяет гибко интегрировать его в различные конструкции машин, делая его универсальным решением для разнообразных применений. Его номинальный расход 8 л/мин обеспечивает оптимальную производительность в широком диапазоне машин. Мы предлагаем производство, OEM, ODM, частные торговые марки и оптовые варианты. 101S-5-80 подходит для различных применений, включая вилочные погрузчики, телескопические погрузчики, мини-погрузчики с бортовым поворотом, компактные колесные погрузчики, мини-экскаваторы, тракторы, экскаваторы-погрузчики, комбайны и пресс-подборщики. Мы активно ищем дистрибьюторов, оптовиков, агентов и трейдеров для расширения нашего глобального присутствия. Свяжитесь с нами, чтобы обсудить ваши конкретные требования и изучить потенциальные партнерства.



